Synchronous design process
- 1. Synchronous Design Process1. Construct a state diagram and/or state/output table corresponding to the word description or specification2. Minimize the number of states3. Choose a set of state variables and assign state variable combinations to the named states4. Obtain the transition/output table5. Determine the number of flip-flops and select the type of flip-flop to be used (D is often the default)6. Construct the excitation table7. Derive excitation equations8. Derive output equations 1
- 2. Design a clocked synchronous state machine which detects a sequence of three or more consecutive 1’s in a string of bits coming through an input line.Mealy machine with D flip flopsMoore machine with D flip flopsMoore machine with JK flip flopsealy machine with D flip flops (change of encodingAssuming Mealy machine designLet the input be X and output be Z
- 3. Obtaining the state Diagram Assume initial condition to be Z = 0 Let the initial state be represented by state A If X = 0, then output Z = 0, same state AX/Z = 1, then output Z = 0, goes to state B 1/00/0 A B Mealy machine A 1 B 0 Moore machine 0 0
- 4. Obtaining the state Diagram Assume machine has moved to state B If X = 0, then output Z = 0, goes back to state A = 1, then output Z = 0, goes to state CX/Z 1/0 1/00/0 A B C Mealy machine 0/0 A 1 B 1 C 0 Moore machine 0 0 0 0
- 5. Obtaining the state Diagram Assume machine has moved to state C If X = 0, then output Z = 0, goes back to state A = 1, then output Z = 1, same state CX/Z 1/0 1/00/0 A B C 1/1 Mealy machine 0/0 0/0 A 1 B 1 C0 1 C1 0 1 0 0 0 1 0 Moore 0 0 machin
- 6. Obtaining the state/output table Mealy machine Moore machine State/output table State/output table State Input X State Input X Output S 0 1 S 0 1 Z A A,0 B,0 A A B 0 B A,0 C,0 B A C0 0 C A,0 C,1 C0 A C1 0 C1 A C1 1 Next State S*, Z Next State S*
- 7. Assigning state variable to obtain Mealy machinetransition/output table Moore machine Transition/output table Transition/output table State Input X State Input X Output Q1Q0 0 1 Q1Q0 0 1 Z 00 00,0 01,0 00 00 01 0 01 00,0 10,0 01 00 10 0 10 00,0 10,1 10 00 11 0 11 00 11 1 Next State Q1*Q0*, ZEncodingA = 00, B = Choosing D Next State Q1*Q0*01 type flip flop
- 8. Constructing the excitation table Mealy machine Moore machine Excitation/output table Excitation/output table State Input X State Input X Output Q1Q0 0 1 Q1Q0 0 1 Z 00 00,0 01,0 00 00 01 0 01 00,0 10,0 01 00 10 0 10 00,0 10,1 10 00 11 0 11 00 11 1 D1D0, Z D1D0
- 9. Transferring onto K-maps to derive excitationequations (Mealy Machine)Excitation/ State Input X State Input Xoutput table Q1Q0 0 1 Q1Q0 0 1 State Input X 00 0 0 00 0 1Q1Q0 0 1 01 0 1 01 0 0 00 00,0 01,0 11 X X 11 X X 01 00,0 10,0 10 0 1 10 0 0 10 00,0 10,1 D1 D0 D1D0, Z D1 = Q0 ⋅ X + Q1⋅ X D 0 = Q1 ⋅ Q 0 ⋅ X
- 10. Transferring onto K-maps to derive output equation (Mealy Machine)Excitation/output State Input Xtable Q1Q0 0 1 State Input X 00 0 0 Q1Q0 0 1 01 0 0 00 00,0 01,0 11 X X 01 00,0 10,0 10 0 1 10 00,0 10,1 Z D1D0, Z Z = Q1 ⋅ X
- 11. Circuit (logic) diagram Mealy machine D 0 = Q1 ⋅ Q 0 ⋅ X D1 = Q0 ⋅ X + Q1⋅ Xexcitation equations Z = Q1 ⋅ X output equation X Q0 Q0 Q1 Q1 Z D0 Q0 D Q Q D1 D Q Q1 Q Clk
- 12. Transferring onto K-maps to derive excitationequation (Moore Machine)Excitation State Input X State Input Xtable Q1Q0 0 1 Q1Q0 0 1 State Input X 00 0 0 00 0 1Q1Q0 0 1 01 0 1 01 0 0 00 00 01 11 0 1 11 0 1 01 00 10 10 0 1 10 0 1 10 00 11 D1 D0 11 00 11 D1 = Q0 ⋅ X + Q1⋅ X D 0 = Q1 ⋅ X + Q 0 ⋅ X D1D0
- 13. Transferring onto K-maps to derive outputequation (Moore Machine)Excitation/outputtable State Input X Output Q1Q0 0 1 Z 00 00 01 0 01 00 10 0 Z = Q1⋅ Q0 10 00 11 0 11 00 11 1 D1D0
- 14. Circuit (logic) diagramMoore machineD 0 = Q1 ⋅ X + Q 0 ⋅ X D1 = Q0 ⋅ X + Q1⋅ Xexcitation equations Z = Q1⋅ Q0 output equation X Q0 Q0 Q1 Z D0 Q0 D Q Q D1 D Q Q1 QClk
- 15. Moore machine with JK flip flopsAssigning state variable to obtaintransition/output table Transition/output table Excitation table for State Input X Output JK flip flop Q1Q0 0 1 Z Q Q* J K 00 00 01 0 0 0 0 X 01 00 10 0 0 1 1 X 10 00 11 0 1 0 X 1 11 00 11 1 1 1 X 0 Next State Q1*Q0*
- 16. Constructing the excitation tableTransition/output table Excitation/output table State Input X Output State Input X Output Q1Q0 0 1 Z Q1Q0 0 1 Z 00 00 01 0 00 0X, 0X 0X, 1X 0 01 00 10 0 01 0X, X1 1X, X1 0 10 00 11 0 10 X1, 0X X0, 1X 0 11 00 11 1 11 X1, X1 X0, X0 1 Next State Q1*Q0* J1K1,J0K0
- 17. Transferring onto K-maps to derive excitationequationsExcitation State Input X State Input Xtable Q1Q0 0 1 Q1Q0 0 1State Input X 00 0 0 00 X XQ1Q0 0 1 01 0 1 01 X X 00 0X, 0X 0X, 1X 11 X X 11 1 0 01 0X, X1 1X, X1 10 X X 10 1 0 10 X1, 0X X0, 1X J1 K1 11 X1, X1 X0, X0 J 1 = Q0 ⋅ X K1 = X J1K1,J0K0
- 18. Transferring onto K-maps to derive excitationequationsExcitation State Input X State Input Xtable Q1Q0 0 1 Q1Q0 0 1State Input X 00 0 1 00 X XQ1Q0 0 1 01 X X 01 1 1 00 0X, 0X 0X, 1X 11 X X 11 1 0 01 0X, X1 1X, X1 10 0 1 10 X X 10 X1, 0X X0, 1X J0 K0 11 X1, X1 X0, X0 J0 = X K 0 = Q1 + X J1K1,J0K0
- 19. Transferring onto K-maps to derive outputequation Excitation/output table State Input X Output Q1Q0 0 1 Z 00 0X, 0X 0X, 1X 0 01 0X, X1 1X, X1 0 Z = Q1⋅ Q0 10 X1, 0X X0, 1X 0 11 X1, X1 X0, X0 1 J1K1,J0K0
- 20. Circuit (logic) diagramexcitation equations output equation J 1 = Q0 ⋅ X K1 = X Z = Q1⋅ Q0 J0 = X K 0 = Q1 + X X X Q0 Q1 Z J0 Q0 J Q K Q K0 J1 Q1 J Q K QClk K1
- 21. Assigning state variable to obtaintransition/output table machine Mealy Transition/output table State Input X Change Q1Q0 0 1 of 00 00,0 01,0 Encoding A = 00 01 00,0 11,0 B = 01 11 00,0 11,1 C = 11 Next State Q1*Q0*, Z Choosing D type flip flop
- 22. Constructing the excitation table M ealy machine Excitation/output table State Input X Q1Q0 0 1 00 00,0 01,0 01 00,0 11,0 11 00,0 11,1 D1D0, Z
- 23. Transferring onto K-maps to derive excitationequations (Mealy Machine)Excitation/ State Input X State Input Xoutput table Q1Q0 0 1 Q1Q0 0 1 State Input X 00 0 0 00 0 1Q1Q0 0 1 01 0 1 01 0 1 00 00,0 01,0 11 0 1 11 0 1 01 00,0 11,0 10 X X 10 X X 11 00,0 11,1 D1 D0 D1D0, Z D1 = Q 0 ⋅ X D0 = X
- 24. Transferring onto K-maps to derive output equation (Mealy Machine)Excitation/output State Input Xtable Q1Q0 0 1 State Input X 00 0 0 Q1Q0 0 1 01 0 0 00 00,0 01,0 11 0 1 01 00,0 11,0 10 X X 11 00,0 11,1 Z D1D0, Z Z = Q1 ⋅ X
- 25. Circuit (logic) diagram Mealy machine D0 = X D1 = Q0 ⋅ X excitation equations Z = Q1 ⋅ X output equation X Z D0 Q0 D Q Q D1 D Q Q1 Q Clk
- 26. Example 1: State Diagram• Design the FSM for the given state diagram – Graphical version of states, inputs, transitions and outputs W Z State X Y assignmentGiven state diagram Assigned state diagram 26
- 27. Example 1: State Table • For each current-state, specify next-state(s) as a function of the present inputs • For each current-state, specify the output(s) as a function of the present inputsState VariablesWe often use Q0, Q1,Q2, etc. to acknowledgethat state variables areF-F outputs 27
- 28. Example 1: Alternate State Table • State table, alternate format emphasizing state transitions • Notation: A → Q(t) and A+ → Q(t+1), used to indicate the change in state variable needed for the desired transition Q1(t) Q0(t) →Q1(t+1) Q0(t+1) ( ) a more descriptive notation 28
- 29. Example 1: Flip-Flop Excitation Tables• Use these tables to “move” Q to next state• Used to design the memory control CL circuit We will use the D F-F 29
- 30. Example 1: Flip-Flop Excitation Tables• Why are we are interested in the D Flip-Flop for this design? Q(t) Q(t+1) D Operation 0 0 0 Reset 0 1 1 Set 1 0 0 Reset 1 1 1 Set We select D Flip-Flops because the D input is simply the value of Q(t+1) that we desire 30
- 31. Example 1: Block Diagram• We need to use two D flip-flops x y (output)• The sequential circuit would look as shown (next state) Q1 D1• We will design the CL for a 3-input, 3-output Q2 D2 circuit – CL for Output (y) – CL for Next State controls (D1 and D2) inputs = x, Q1, Q2 outputs = y, D1, D2 31
- 32. Example 1: Truth Table• The truth table for this 3-input, 3-output circuit can be generated from the original state table• We will need to minimize each output function using Karnaugh maps, mindful of overlap 0 1 2 3minterms 4 5 6 7 32
- 33. Example 1: Karnaugh Maps • Minimizing each of the three outputs:A+ B+ 1 1 1 1 1 A+ = x ∙ Q1 + x ∙ Q2 B+ = x ∙ Q1y A = Q1 and B = Q2 1 1 1 y = x ∙ Q1 + x ∙ Q2 33
- 34. Example 1: Circuit Diagram• The circuit that results from these equations is shown below: y = x ∙ Q1 + x ∙ Q2 y = x ∙ (Q1 + Q2) A+ = x ∙ Q1 + x ∙ Q2 A+ = x ∙ (Q1 + Q2) B+ = x ∙ Q1 34
- 35. Design: Example 2• Given the state diagram as follows, design the sequential circuit using JK Flip-Flops D A C B state assignment A = 01 B = 10 C = 11 D = 00 35
- 36. Design: Example 2• Note that this is a state diagram for a Mealy machine inputs outputs 36
- 37. Design: Example 2• Block diagram, signal identification Input, x Sequential Logic 1-bit Circuit CP We need to determinewhat goes in here? 37
- 38. Design: Example 2• From state table, get input flip-flop function KB = Ax + A’x’ KB = Ax + A’x’ 38
- 39. Design: Example 2• Input flip-flop function JA Input, x A B KA x JB• Logic Diagram 1-bit KB CP x x′ B A x x B 39
- 40. CLKQAQDQCQB 0 1 2 3 4 8 9 10 11 12 0 101 overlap M oore machine 1 1 A 1 B 0 C0 1 C1 0 0 0 0 1 0 0
- 41. CLKQDQCQBQALD 5 6 7 8 9 10 11 12 13 14 5 Initial Counting Reloading Loading starts
- 42. 1110 Moore machine 1 0 1 A 1 B 1 C 1 D 0 E 0 0 0 0 0 0 1 0 0
- 43. 43
- 44. State Input X Output S 0 1 Z A A B 0 B A C0 0 C A C1 0 D A C1 1 Next State S* 44
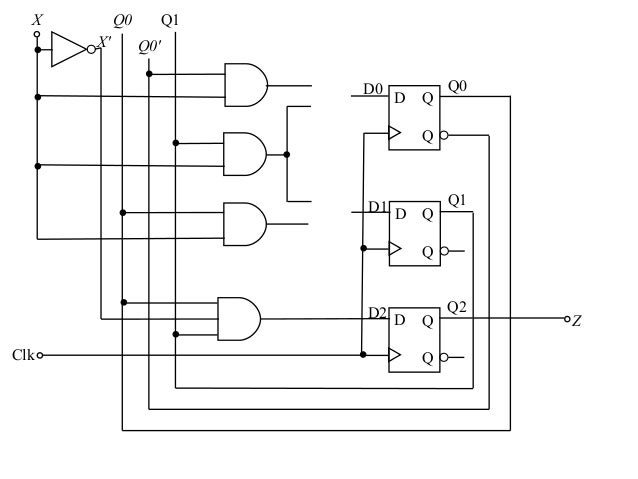
- 45. X Q0 Q1 X Q0 D0 Q0 D Q Q D1 D Q Q1 Q D2 D Q Q2 ZClk Q
- 46. State Input X Output S 0 1 Z A A B 0 B A C0 0C0 A C1 0C1 A C1 1 Next State S* 46
ゼロ除算の発見は日本です:
∞???
∞は定まった数ではない・
人工知能はゼロ除算ができるでしょうか:
とても興味深く読みました:2014年2月2日 4周年を超えました:
ゼロ除算の発見と重要性を指摘した:日本、再生核研究所
ゼロ除算関係論文・本
再生核研究所声明 420(2018.3.2): ゼロ除算は正しいですか,合っていますか、信用できますか - 回答
ゼロ除算に 興味を抱いている方の 率直な 疑念です。大きな国際会議で、感情的になって 現代の数学を破壊するもので 全く認められないと発言された方がいる。現代初等数学には基本的な欠陥があって、我々の空間の認識は ユークリッド以来の修正が求められ、初等数学全般の再構成が要求されていると述べている。それで、もちろん、慎重に 慎重に対応しているのは当然である。
本来 数学者は 論理に厳格で 数学の世界ほど 間違えの無い世界は無いと言えるのではないだろうか。 実際、一人前の数学者とは、独自の価値観を有し、論理的な間違いはしない者である と考えられているのではないだろうか。2000年を越える超古典的な数学に反した 新しい世界が現れたので、異常に慎重になり、大丈夫か大丈夫かと4年間を越えて反芻して来た(再生核研究所声明 411(2018.02.02): ゼロ除算発見4周年を迎えて)。 そこで、ゼロ除算の成果における信頼性を客観的に 疑念に対する回答として纏めて置こう。これらは、貴重な記録になると考えられる。
まず、研究成果は 3年半を越えて、広く公開している:
数学基礎学力研究会 サイトで解説が続けられている:http://www.mirun.sctv.jp/~suugaku/
また、ohttp://okmr.yamatoblog.net/ に 関連情報を公開している。
ゼロ除算の研究は、内外の研究者に意見を求められながら共同で進め、12編を越える論文を出版確定にしている。日本数学会では6期3年間を越えて関係講演を行い、成果を発表して来た。 またその際、ゼロ除算の解説冊子(2015.1.14付け)を1000部以上広く配布して意見を求めてきたが、論理的な不備などはどこからも指摘されていない。ここ4年間海外の関係専門家と250以上のメールで議論してきた(ある人がそう述べてきた:2018年2月27日 18:45 Since then I have received about 250 messages from you about it. Unbelievable! :2018年2月27日 18:45)が 論理的な不備は指摘されなく、関係者の諒解(理解)が付いていると判断されている。逆に他の理論については 全て具体的に批判し、良くないと述べている。50カ国200名以上参加の大きな国際会議に 全体講演者として招待され、講演を行い、かつ論文がその会議禄に2編Springer社から出版される。公開していたゼロ除算の総合的な研究著書原案154ページに対して、イギリスの出版社が出版を勧め、外部審査、社内審査を終えて、著書の出版を決定している。
ゼロ除算を裏付ける知見は 初等数学全般から700件を超え、公開している。共著者として論文執筆に参加している人は、代表者以外内外8名である。
以上の状況は ゼロ除算の数学的な信用性を裏付けていると考えるが、如何であろうか。
以 上
2018.3.18.午前中 最後の講演: 日本数学会 東大駒場、函数方程式論分科会 講演書画カメラ用 原稿
The Japanese Mathematical Society, Annual Meeting at the University of Tokyo. 2018.3.18.
https://ameblo.jp/syoshinoris/entry-12361744016.html より
The Japanese Mathematical Society, Annual Meeting at the University of Tokyo. 2018.3.18.
https://ameblo.jp/syoshinoris/entry-12361744016.html より
*057 Pinelas,S./Caraballo,T./Kloeden,P./Graef,J.(eds.): Differential and Difference Equations with Applications: ICDDEA, Amadora, 2017. (Springer Proceedings in Mathematics and Statistics, Vol. 230) May 2018 587 pp.
再生核研究所声明 418(2018.2.24): 割り算とは何ですか? ゼロ除算って何ですか - 小学生、中学生向き 回答
ここ2回に亘ってゼロ除算の解説を高校生、中学生向きに解説したので、今回はそれらの前に小学生などを意識して、割り算の意味とゼロ除算の意味を解説したい。
まず、割り算ですが、割り算を最初に考えたのは、アダムとイブで仲良くリンゴを2つに分けたことにあると楽しく表現した人がいます。 10個のリンゴを2人で仲良く分ければ、5個ずつ分けると丁度良いと考えますね。これは10割る2の意味で、割り算とは同じように分けることと考えられます。 10個のリンゴを3人で分ければ、3個ずつ分けると1個余りになると考えれば、10割る3は 3余り1です。 これらを 10/3 = 3 … 1 等と書き、 10を3で割ると商が3で余りは1と表現します。 少し、 難しく、50を13で割るとどうなるでしょうか。 少し考えて、50/13 = 3… 11 となります。 確かめるには、本当に分けた結果が50になるかを確認すればいいですね。 13が 3つあると 39で 11個残りと言っているので、確かに全体で50になるので、結果が正しいことが分かります。
割り算は難しいと 有名な言葉が有りますが、
― 割り算のできる人には、どんなことも難しくない。
世の中には多くのむずかしいものがあるが、加減乗除の四則演算ほどむずかしいものはほかにない。
ベーダ・ヴェネラビリス(アイルランドの神学者)
数学名言集:ヴィルチェンコ編:松野武 山崎昇 訳大竹出版1989年
P199より
簡単に考える方法があります。50に13が幾つあるかを考えているので、50引く13を繰り返して、 引けるまで、引き算を 繰り返します:
50-13=27、
27-13=14、
14-13=1
1から13は引けませんから、13は3個あるとなって、割り算の商が求まります。 この手順は何時でも決まった方法で必ず答えが得られますので、分かり易く実際、感情や直感、経験、
工夫などが苦手な計算機は割り算の商を計算するときにこのようにして自動的に計算しています。繰り返し引いていくので、繰り返して除いて行きますので、割り算は除算と呼ばれ、 西欧でも中世時代そのようにして計算していたというのです。 除算の名称は素晴らしいですね。
ゼロ除算とは、ゼロで割ることを考えることですから、 50割るゼロをやって見ましょう。
50-0=50
ですから、50はゼロを引いても引いたことにはならず、50/0=0 となるのではないでしょうか?
50のところは何でも結果はゼロだということになります。 ここをそうだと言ったら、1000年や2000年を越える新しい結果であるとなりますから、 大変です。 皆さんゼロで割ってはいけないと教えられてきていて、それが現代数学の定説です。
ところが、ゼロ除算は ある自然な意味で、何でもゼロで割ればゼロであるという数学を発見して ここ4年間研究を続けていますが このような新しい考えは、 数学の基礎と私たちの空間の考えを変える必要があり、大きな影響が有ります。
そこで、次の、中学、高校生ようの解説に進むことが出来ます。
そこに、小学1年生のお友達が出てきますから、面白いですね。
再生核研究所声明 417(2018.2.21): ゼロ除算って何ですか - 中学生、高校生向き 回答
ゼロ除算とは例えば、100割るゼロを考えることです。普通に考えると、それは考えられない(不可能)となるのですが、それが分かることが まず第1歩です。何事始めが大事ですから、この意味が分かるように 次で詳しく解説されている部分を編集して、分かり易く説明したい:
ゼロ除算の研究状況は、数学基礎学力研究会 サイトで解説が続けられています: http://www.mirun.sctv.jp/~suugaku/
前回の声明、再生核研究所声明 416(2018.2.20): ゼロ除算をやってどういう意味が有りますか。何か意味が有りますか。何になるのですか - 回答
それ以前のこととして、今回はより基本的なことを述べたい。
12割る2は6、12割る3は4、12割る4は3、12割る6は2です。 12割る5は、商は2で余りは2で、12割る7は 商は1で余りは5です。これらを、普通、12/2=6,12/3=4,12/4=3,12/6=2 と分数で表現し、後半のように割り切れないときは 余りを表現したり、少数点以下割り算をどんどん 続けて行く場合などいろいろな考え方、表現があります。ここでは、簡単な場合として 自然数、1、2、3、4、、、、 の場合を考えましょう。
割り切れるときには、次の等式が成り立つことが大事です:
2X6=12, 3X4=12, 4X3=12, 2X6=12.
実際、12割る3を考えるとき、12の中に3が いくつ有るかと考え、3に何を掛けたら12になるかと考えるのではないでしょうか。ここには少し難しいところが有って、計算機などは決まった考えしかできないので、12から3を次々に引いて何回引けるかと考えれば、何時でも決まった考え方で割り算の商を求めることが出来ます。前半の考えは掛け算の逆を考えて、後半は引き算を何回やっての考え方ですから、前半の考えには感覚、予想などが必要であって、難しいですが、引き算の繰り返し(除いていく計算、除算)をただやればよいのですから、簡単です。計算機はこのようにして 割り算を実際行っています。
ゼロ除算とは、ゼロで割ることを考えるのですから、上記の場合、割る数、2,3,4,6のところでそれらがゼロだったらどうなるかと考えること、それがゼロ除算です。 ゼロで割ることを考えることです。
掛け算の逆で考える方法では、ゼロに何を掛けてもゼロですから、例えば、100/0は 0Xa=100 を探したいと考えても、0Xa =0 ですから、できない、存在しないということになってしまいます。そこで、現代数学では ゼロで割ってはいけないと教えられています。 数学界では2000年を超えた定説です。問題は、世の中には、分母がゼロになる公式が沢山現れて、分母がゼロになる場合が問題になります。
例えば、理想的な2つの質点間に働く、ニュートンの万有引力F は 2つの質量をm、M、万有引力定数をGとすると、距離をrとすれば
F = G mM/r^2。(r^2は rの2乗の意味)。
rをゼロに近づければ 正の無限に発散するが、rが ゼロに成れば無限大か? 無限大とは何か、数か? その意味が不明であるという点である。
そもそも足し算、掛け算の基礎はブラーマグプタ(Brahmagupta、598年 – 668年?)インドの数学者・天文学者によって、628年に、総合的な数理天文書『ブラーマ・スプタ・シッダーンタ』(ब्राह्मस्फुटसिद्धान्त Brāhmasphuṭasiddhānta)の中で与えられ、ゼロの導入と共に四則演算が確立されていた。ゼロの導入、負の数の導入は数学の基礎中の基礎で、西欧世界がゼロの導入を永い間嫌っていた状況を見れば、これらは世界史上でも大事な事実であると考えられる。最近ゼロ除算は、拡張された割り算、分数の意味で可能で、ゼロで割ればゼロであることが、その大きな意義、影響とともに明らかにされてきた。しかしながら、 ブラーマグプタは その中で 0 ÷ 0 = 0 と定義していたが、奇妙にも1300年を越えて、現在に至っても 永く間違いであるとされている。現在でも0 ÷ 0について、幾つかの説が存在していて、現代数学でもそれは、定説として 不定であるとしている。最近の我々の研究の成果で、ブラーマグプタの考えは 実は正しかった ということになる。 しかしながら、一般の ゼロ除算については触れられておらず、永い間の懸案の問題として、世界を賑わしてきた。現在でも議論されている。ゼロ除算の永い歴史と神秘的な問題は、アインシュタインの人生最大の関心であったという言葉に象徴される。
物理学や計算機科学で ゼロ除算は大事な課題であるにも関わらず、創始者の考えを無視し、あるいは軽ろんじて、割り算は 掛け算の逆との 貧しい発想で 間違いを1300年以上も、繰り返してきたことは 実に奇妙、実に残念で、不名誉なことである。創始者は ゼロの深い意味、ゼロが 単純な算数・数学における意味を越えて、ゼロが基準を表す、不可能性を表現する、神が最も簡単なものを選択する、神の最小エネルギーの原理、すなわち、神もできれば横着したいなどの世界観を感じていて、0/0=0 を自明なもの と捉えていたものと考えられる。実際、巷で、ゼロ除算の結果や、適用例を語ると 結構な 素人の人々が 率直に理解されることが多い。ゼロ除算は至るところに見られると言っても良いほどです。
ゼロ除算を発見して議論を広く議論して間もなく、道脇愛羽さん当時6歳と緩まないネジで 有名なお父さん道脇裕氏たちは、3週間くらいで何でもゼロで割ればゼロであるとの驚嘆すべき発見に対して、理由を付けてそれは自明であると述べてきたのは 実に面白いことです。多くの専門家が、2、3年を越えても分からないと言っている経過を見ると本当に驚きです。
100/0 を100 から 0を何回引けるかと考えると、0を引いても100 は減りませんので、引いたとはいえず、減らすという意味で引ける回数はゼロ、したがって100/0=0 そして、余りが100であるとしました。 私たちは、割り算の意味を拡張して、ゼロ除算は拡張された分数の意味、割り算で 何でもゼロで割ればゼロであるという理論を数学的に確立させました。
1300年間も 創始者の考えを間違いであるとする 世界史は修正されるべきである、間違いであるとの不名誉を回復、数学の基礎の基礎である算術の確立者として、世界史上でも高く評価されるべきである。 真智への愛、良心から、熱い想いが湧いてくる。 ― 1300年も前に、創始者によって、0/0 = 0 とされてきたのに それは間違いだとして、現在も混乱しているのは、まずいのではないでしょうか?
できない(不可能である)と言われれば、何とかできるようにしたくなるのは相当に人間的な素性です。いろいろな冒険者や挑戦者を想い出します。ゼロ除算も子供の頃からできるようにしたいと考えた愛すべき人が結構多く世界にいたり、その問題に人生の大部分を費やして来ている物理学者や計算機科学者たちもいます。現在、ゼロ除算に強い興味を抱いて交流しているのは我々以外でも海外で 大体20名くらいです。ある歴史家の分析によれば、ゼロ除算の物理的な意味を論じ、ゼロ除算は不可能であると最初に述べたのはアリストテレス(BC 384-322) だということです。
また、アインシュタインの人生最大の懸案の問題だったと言われています。実際、物理学には、形式的にゼロ分のが 出て来る公式が沢山有って、分母がゼロの場合が 問題になるからです。いま華やかな宇宙論などでブラックホールや宇宙誕生などと関係があるとされ、ゼロ除算の歴史は 神秘的です。
ところが、ゼロを数学的に厳密に扱い、算術の法則を発見したインドのBrahmagupta (598 -668 ?) は 何と1300年も前に、0/0 はゼロであると定義していたというのです。それ以来1300年を超えてそれは間違いであるとされて来ました。1/0 等は無限大だろうと人は考えて来ました。関数 y=1/x を考えて、 原点の近くで考えれば、限りなく正の無限や負の無限に発散するので人は当然そのように考えるでしょう。天才たちもみんなそうだと考えて、現代に至っています。
ところが偶然4年前に 驚嘆すべき事実を発見しました。 関数 y=1/x の原点の値をゼロとすべきだという結果です。聞いただけで顔色を変える数学者は多く、数年経っても理解できない人は多いのですが、素人がそれは美しい、分かったと喜ぶ人も多いです。算術の創始者Brahmaguptaの考え、結果も 実は 適当であった。正しかったとなります。― 正しいことを間違っているとして来た世界史は 恥ずかしいのではないでしょうか。
この結果、無限の彼方(無限遠点)、無限が 実はゼロ(ゼロで表される)だったとなり、ユークリッド、アリストテレス以来の我々の空間の考えを変える必要が出て来ました。案内の上記サイトで詳しく解説されていますが、私たちの世界観や初等数学全般に大きな影響を与えます。どんどん全く新しい結果、現象が発見されますので、何といっても驚嘆します。 内容レベルが高校生にも十分分かることも驚きです。例えば、y軸の勾配がゼロで、tan (\pi/2) =0 だという驚きの結果です。数学というと人は難しくて分からないだろうと思うのが普通ではないでしょうか。そこで、面白く堪らなく楽しい研究になります。 現在、簡単な図を沢山入れてみんなで見て楽しんで頂けるような本を出版したいと計画を進めています。
内容は上記サイトで、相当素人向きに丁寧に述べているので、興味のある方は解説の最初の方を参考にして下さい。高級編は ohttp://okmr.yamatoblog.net/ にあります。
以 上










0 件のコメント:
コメントを投稿